F743CX液动盲板阀 |
|
![]() |
![]()
销售:0577-67179889
传真:0577-67363233 手机:17706661095 |
液动眼镜阀主要用途与适用范围:
该阀主要安装在冶金、化工、能源及市政等系统的煤气管道上,用作煤气隔断阀使用,是一种非常理想的气体隔断阀门液动盲板阀阀体中设有启闭油缸和翻板油缸。启闭油缸通过齿圈、齿轮和丝杠螺旋付驱动左、右阀体完成松开、夹紧动作,翻板油缸驱动阀板完成开闭动作。橡胶密封圈镶嵌在阀板上,密封性能好、更换方便。
液动盲板阀可以单台远距离控制,也可以多台联网远距离控制,非正常情况下还可以利用阀门本身的机械装置手动操作。
液动眼镜阀液动盲板阀的分类:
液动盲板阀分电液控和全液控两种,电液空靠防爆电气行程开关发生位置电信号控制电磁阀动作。全液控利用二位二通阀作限位元件,通过液压油接通压力继电器产生电信号控制电磁阀动作。全液控方式压力继电器安装在液压站上,远离阀门,因此防爆性能好。
液动眼镜阀工作原理及结构特点:
该阀为电动推杆式传动扇形盲板阀,阀门本体由左阀体、中阀体、右阀体、阀板、夹紧螺纹阀杆、波纹管、电液动夹紧推杆、电液动行走推杆等部件组成。
阀门的密封是通过电机驱动夹紧电液动推杆,将推力经过曲柄直接作用在主动阀杆上,使其旋转,并通过连杆机构使三根阀杆做同步旋转,再由阀杆两端的左、右螺纹带动各自相应的左、右螺母,使左阀体和中阀体再压缩或拉伸波纹管的同时做以阀板为中心的相对的对称移动,使两阀体密封圈夹紧并压缩阀板橡胶密封圈,达到密封比压而实现密封;反之,两阀体密封圈脱离阀板并松开阀板橡胶密封圈,以便之后进行的开关动作。阀板的行走必须按上述操作方法,使左阀体和中阀体密封松开,并在两阀体密封圈脱离开阀板橡胶密封圈的前提下进行,通过电机驱动电液动行走推杆,直接推拉阀板上的耳环,带动阀板作旋转启闭行走运动。
液动眼镜阀主要性能参数:
|
公称压力MPa
|
0.25
|
0.15
|
0.10
|
0.05
|
|
密封试验压力MPa
|
0.275
|
0.165
|
0.11
|
0.055
|
|
强度试验压力MPa
|
0.40
|
0.225
|
0.15
|
0.075
|
|
驱动源
|
压缩空气0.4-0.6MPa 油压压力6.3MPa 3相380V50HZ
|
|||
|
适用温度℃
|
丁腈橡胶
|
硅橡胶
|
氟橡胶
|
|
|
-20-100
|
-20-200
|
-20-300
|
||
|
适用介质
|
煤气等有毒、有害、易燃气体
|
|||
|
启闭时间S
|
≤60
|
|||
|
主要零部件材料
|
阀体、闸板为碳钢;丝杆为合金钢;螺母为锰铜合金、球墨铸铁;伸缩器为不锈钢
|
|||
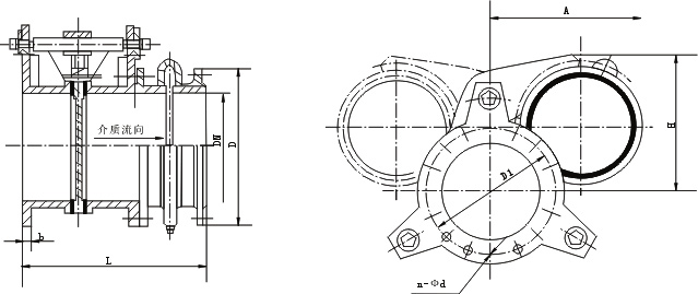
液动眼镜阀主要外形及连接尺寸表:
|
DN |
D |
D1 |
b |
n-φd |
L |
|
300 |
440 |
395 |
22
|
12-φ22 |
450
|
|
350 |
490 |
445 |
22
|
12-φ22 |
450
|
|
400 |
540 |
495 |
22
|
16-φ22 |
450
|
|
450 |
595 |
550 |
24
|
16-φ22 |
500
|
|
500 |
645 |
600 |
24
|
16-φ22 |
500
|
|
600 |
755 |
705 |
24
|
20-φ26 |
600
|
|
700 |
860 |
810 |
26
|
24-φ26 |
600
|
|
800 |
975 |
920 |
26
|
24-φ30 |
800
|
|
900 |
1075 |
1020 |
28
|
24-φ30 |
800
|
|
1000 |
1175 |
1120 |
30
|
28-φ30 |
800
|
液动眼镜阀外形结构图:

