盲板阀Products
F43X手动扇形盲板阀 |
|
![]() |
![]()
销售:0577-67179889
传真:0577-67363233 手机:17706661095 |
F43X手动扇形眼镜阀,煤气盲板阀产品概述:
本系列扇形眼镜阀又称盲板阀、翻板阀、扇形阀,系GB6222《工业企业煤气安全规程》要求的可靠切断气体介质的设备。广泛应用于工矿企业、市政、环保等行业的气体介质管理系统中,尤其适用于有害、有毒、易燃气体的绝对切断。亦适宜做管道终端的盲板,以缩短检修时间或方便连接新的管路。
该系列扇形眼镜阀与其他在管路中做绝对切断的阀门设备相比,具有结构新颖、重量轻、体积小、操作方便、动作迅速、切断气体性能绝对可靠的特点。
F43X手动扇形眼镜阀,煤气盲板阀产品特点及工作原理:
F43X手动扇形眼镜阀由左阀体、右阀体、中阀体、连接螺杆(三根)组成。用扳手旋转连接螺杆,使左右阀体完成夹紧和松开动作,利用闸板上盲板和通孔板的位置变换达到启闭目的。本阀具有结构简单,重量轻,性能可靠,操作方便等特点。本阀为短结构系列,橡胶密封圈分别安装在左、右阀体上。
公称压力MPa 0.25
密封试验压力MPa 0.275
强度试验压力MPa 0.40
适用温度℃丁腈橡胶
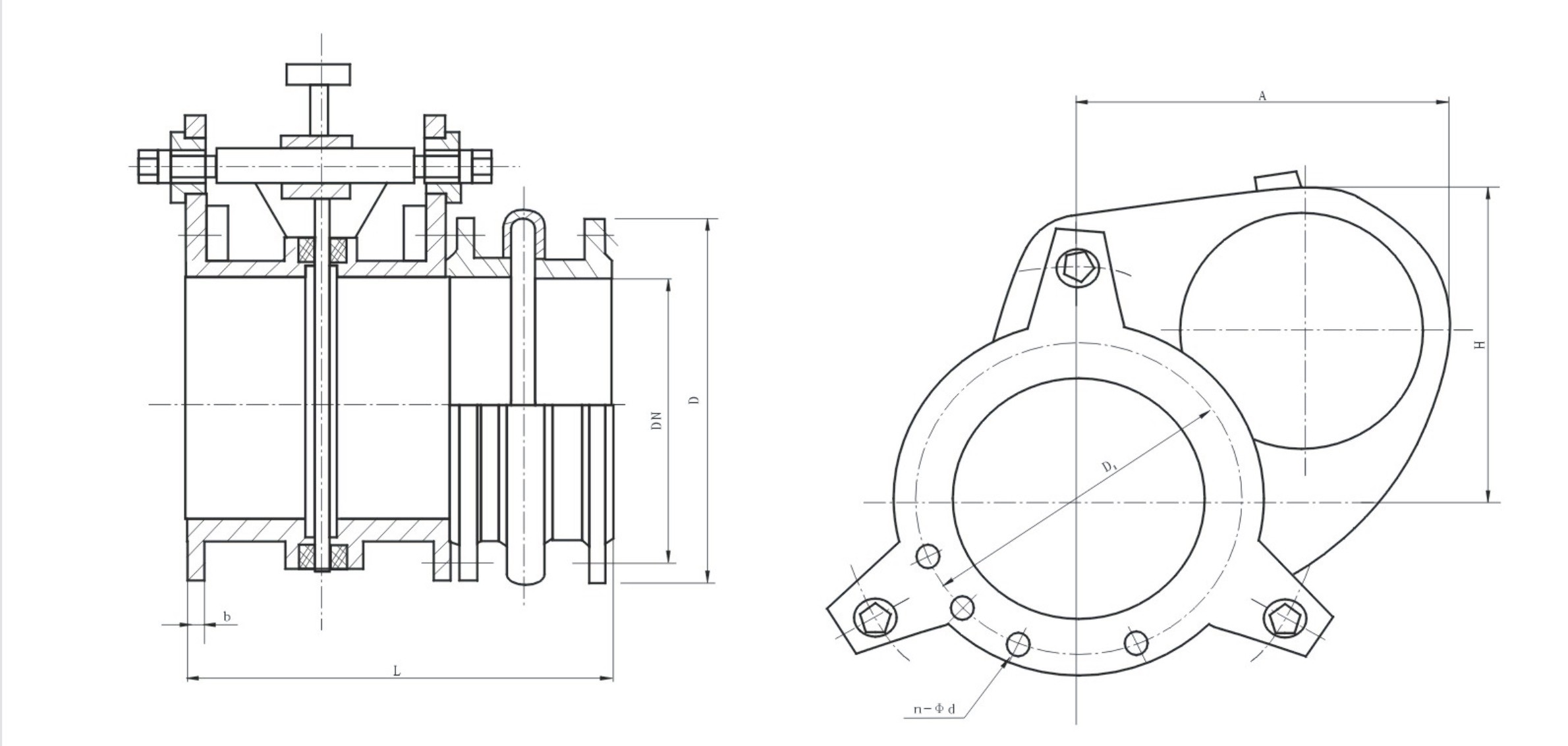
F43X手动扇形眼镜阀产品外形图:
|
公称压力MPa
|
0.25
|
0.15
|
0.10
|
0.05
|
|
密封试验压力MPa
|
0.275
|
0.165
|
0.11
|
0.055
|
|
强度试验压力MPa
|
0.40
|
0.225
|
0.15
|
0.075
|
|
适用温度℃
|
丁腈橡胶
|
硅橡胶
|
氟橡胶
|
|
|
<120
|
<250
|
<300
|
||
|
适用介质
|
煤气等有毒、有害、易燃气体
|
|||
|
采用标准
|
连接法兰尺寸符合JB/T81-94标准,检测方法符合GB/T13927-92标准
|
|||
|
主要零部件材料
|
阀体、闸板为碳钢;连接轴、伸缩器为碳钢或不锈钢;密封圈为橡胶
|
|||
F43X手动扇形眼镜阀,煤气盲板阀主要外形连接尺寸:
|
DN
|
D
|
D1
|
b
|
n-φd
|
长系列 L
|
|
200
|
320
|
280
|
14
|
8-φ18
|
500
|
|
250
|
375
|
335
|
14
|
12-φ18
|
500
|
|
300
|
440
|
395
|
16
|
12-φ22
|
500
|
|
350
|
490
|
445
|
16
|
12-φ22
|
500
|
|
400
|
540
|
495
|
16
|
16-φ22
|
600
|
|
450
|
595
|
550
|
20
|
16-φ22
|
600
|
|
500
|
645
|
600
|
20
|
20-φ22
|
600
|
|
600
|
755
|
705
|
20
|
20-φ26
|
600
|
|
700
|
860
|
810
|
20
|
24-φ26
|
600
|
|
800
|
975
|
920
|
22
|
24-φ30
|
600
|
|
900
|
1075
|
1020
|
22
|
24-φ30
|
630
|
|
1000
|
1175
|
1120
|
22
|
28-φ30
|
630
|
|
1200
|
1375
|
1320
|
22
|
32-φ30
|
750
|
|
1400
|
1575
|
1520
|
26
|
36-φ30
|
750
|
|
1500
|
1675
|
1620
|
26
|
36-φ30
|
750
|
|
1600
|
1790
|
1730
|
26
|
40-φ30
|
750
|
|
1800
|
1990
|
1930
|
26
|
44-φ30
|
750
|
|
2000
|
2190
|
2130
|
26
|
48-φ30
|
750
|
1、用扳手依次逆时针旋动三个连接螺杆,使阀体与闸板分离并有均衡,适量的间隙(16mm左右)。确认后转动闸板到工作位置,反向旋动连接螺杆,使闸板与阀体紧密接触,达到绝对密封的目的。
2、橡胶密封圈不得与阀体粘连或发生硬摩擦,以防止损坏橡胶密封圈,破坏阀门的工作性能。
3、左右阀体松开时,介质要外溢,为确保安全,应在关闭时,请先关闭眼镜阀前的煤气蝶阀,同时请采用通风和其它能保证安全的措施。
下一个产品:F643CX气动盲板阀
上一个产品:没有了

