F643CX气动盲板阀 |
|
![]() |
![]()
销售:0577-67179889
传真:0577-67363233 手机:17706661095 |
气动盲板阀主要用途与适用范围:
该阀主要安装在冶金、化工、能源及市政等系统的煤气管道上,用作煤气隔断阀使用,是一种非常理想的气体隔断阀门。该系列扇形盲板阀与其他在管路中做绝对切断的阀门设备相比,具有结构新颖、重量轻、体积小、操作方便、动作迅速、切断气体性能绝对可靠的特点。
气动盲板阀工作原理及结构特点:
该阀为气动扇形盲板阀,阀门本体由左阀体、中阀体、右阀体、阀板、夹紧螺纹阀杆、波纹管、气动夹紧气缸、气动行走气缸等部件组成。
阀门的密封是通过来至气压站的压缩空气驱动气动夹紧气缸,将产生的推力经过曲柄直接作用在主动阀杆上,使其旋转,并通过连杆机构使三根阀杆做同步旋转,再由阀杆两端的左、右螺纹带动各自相应的左、右螺母,使左阀体和中阀体再压缩或拉伸波纹管的同时做以阀板为中心的相对的对称移动,使两阀体密封圈夹紧并压缩阀板橡胶密封圈,达到密封比压而实现密封;反之,两阀体密封圈脱离阀板并松开阀板橡胶密封圈,以便之后进行的开关动作。
阀板的行走必须按上述操作方法,使左阀体和中阀体密封松开,并在两阀体密封圈脱离开阀板橡胶密封圈的前提下进行,通过来至气压站的压缩空气驱动气动行走气缸,直接推拉阀板上的耳环,带动阀板作旋转启闭行走运动。
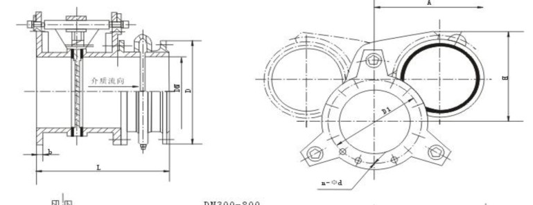
气动盲板阀主要外形连接尺寸:
气动盲板阀扇形盲板阀主要性能指标:
|
公称压力MPa |
0.25 |
0.15 |
0.10 |
0.05 |
|
密封试验压力MPa |
0.275 |
0.165 |
0.11 |
0.055 |
|
强度试验压力MPa |
0.40 |
0.225 |
0.15 |
0.075 |
|
适用温度℃ |
丁腈橡胶 |
硅橡胶 |
氟橡胶 |
|
|
<120 |
<250 |
<300 |
||
|
适用介质 |
煤气等有毒、有害、易燃气体 |
|||
|
采用标准 |
连接法兰尺寸符合JB/T81-94标准,检测方法符合GB/T13927-92标准 |
|||
|
主要零部件材料 |
阀体、闸板为碳钢;连接轴、伸缩器为碳钢或不锈钢;密封圈为橡胶 |
|||

